首页
产品介绍
常规型风阀执行器
S6061系列
常规型快速风阀执行器
S6061-XXDF系列
常规型风阀执行器
S8081系列
弹簧复位防火排烟风阀执行器
S6061SC系列
防火排烟风阀执行器
S6061SF系列
非弹簧复位防火排烟风阀执行器
S6061NS系列
PID调节阀执行器
S6061Q+S6064系列
防爆型防火排烟风阀执行器
ExS6061SF系列
防爆型非弹簧复位防火排烟风阀执行器
ExS6061NS系列
防爆型快速防火排烟风阀执行器
ExS6061SF-DFK系列
水阀执行器
S6062系列
电动水阀调节阀
S6063系列
风机盘管执行器
S6056/57系列
防火排烟风阀执行器
防爆系列风阀执行器
防爆系列风阀执行器
ExS6061-(04~32)防爆系列
关于我们
公司简介
资质证书
组织机构
新闻中心
工程案例
联系我们
EN
English
S6061-04K系列快速型风阀执行器
该快速型风阀执行器专为暖通系统内的风门控制而设计
特 点
• 扭矩: 4Nm
• 额定电压: AC/DC 24V和AC 230V
• 控制方式: 2点、3点开关型
订货代码
技术参数
接线说明
辅助开关说明
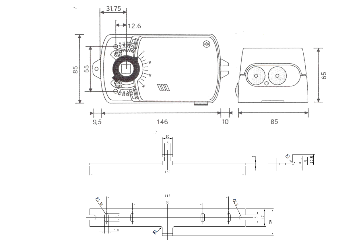
外形及安装尺寸 单位(mm)
上一条: S6061-(08、16)K快速型风阀执行器
下一条: S8081系列常规型快速风阀执行器
86 10 67886688